YAMAHA TRICKER についてのあれこれ。→→Bike Homeに戻る
気になるパーツの交換時期、2026/03/01のメーターは、142,566.4km |
| エンジンオイル |
2025/10/4交換、139,823km |
| オイルフィルター交換状況
|
2025/10/4交換、139,823km |
| フロントフオークオイル |
2025/05/12交換、122,026.5kmで交換 次回は140,000〜145,000kmあたりか |
| エアクリナーの交換 |
2025/04/26、120,460.5km交換、次回は140,500kmあたり |
フリクシヨンプレート
クラツチプレートの交換 |
2023/09/16、85,441kmで交換
そろそろ交換時期か ? |
| ピストンリングの交換 |
2023/10/30〜12/10、89,687.5kmで交換 |
| 内部ベアリングの交換 |
2023/10/30〜12/10、89,687.5kmで交換 |
| バルブ類の交換 |
2023/10/30〜12/10、89,687.5kmで交換 |
| セルモーター |
2023/11/05交換、89,687.5kmで交換 |
| スターターリレー |
2020/11/01交換・49792kmで交換
2025/9/11交換・136,753kmで交換 |
| バッテリー交換 |
2025/10/4交換、139,823kmで交換、YTZ7S |
| リアショックの交換 |
2024/07/26、103,865.7km(47,665,7km使用して交換) |
| チェーン・スプロケット |
2025/06/25、128,744.5kmで交換
次回は140,000〜145,000kmあたりか |
| タイヤ交換 |
2025/09/18、137,676kmで交換、次は2026年の春あたり |
|
交換パーツの記録、エンジンオイル、タイヤ、ホイール関連、スプロケット・チェーン、ブレーキ関連(ブレーキパッド、ブレーキオイル、マスターシリンダ
、ブレーキホース、キャリパ)、バッテリー・電装関連、ショック関連、オーバーホール
2012/2/20〜2021/12/30パーツ交換リスト
※Webikeは 2023年5月までの注文文は税込価格、2023年9月からの注文文は税抜き価格。 |
エンジンオイルの交換(3000km毎を推奨)
オイルフィルター(5TA-13440-00・9000km毎を推奨)

■横浜
《2012年》
2012/02/20、1011km(初回点検、バイク屋で交換)
フィルター交換
2012/06/23、3079km(バイク屋で交換)
《2013年》
2013/02/24、7485km(ホンダG1)
2013/07/17、9200km+フィルター892円(ホンダG2)
フィルター交換(ライコランドで購入)
《2014年》
2014/05/05、11789km(ホンダG2)
2014/09/20、14749km+フィルター1,015 円
(ホンダG2/¥1,223×2)
2014/11/23、16870km(ホンダG2)
《2015年》
2015/03/27、19191km(ホンダG2、1283円)
2015/07/19、21970km(ヤマハRS/10-50)
2015/11/01、24997.5km(ヤマル
スポーツ/10-40)
《216年》 2016/02/07、27868km(ヤマル
スポーツ/10-40)
2016/07/10、30651km+ドレンボルト+フィルター
(ヤマル
プレミアム
10-40、3290円)
2016/10/10、33126km
(ヤマル
プレミアム
10-40)オイルフィルターも交換
《2017年》
2017/01/29、36424km
(ヤマル
プレミアム
10-40)
2017/07/30、38652km
(ヤマル
プレミアム
10-40)
《2018年》
2018/04/22、41050km+フィルター
(ヤマル
プレミアム
10-40)
《2019年》
2019/4/28 、43,800km(エキパイの塗装もする)
(ヤマル
プレミアム
10-40)
2019/12/14、46,139.5km+フィルター (ヤマハスタンダード10-40W)
《2020年》
2020/08/02、48,0650km
(ヤマハスタンダード10-40W)
2020/11/01、49,792km
(ヤマハスタンダード10-40W)
《2021年》
2021/05/1-3、5,2055km+フィルター
(ヤマハスタンダード10-40W)
2021/08/13、53,686km
(ヤマハスタンダード10-40W)
2021/11/01、56256.6km
(ヤマハスタンダード10-40W)
オイル交換時にドレンボルトを舐めてしまい、交換に2時間以上かかる。結局タガネで叩いて回した。規定のトルクで締めているのに、なぜ ? こんなこともあろうと予備を用意してあったので新品を使用(ドレンボルト 91円、ガスケツト226円)
2022/04/19、57,200km、二輪館、1590円
(ヤマル
プレミアム+ヤマハスタンダード10-40W)
引っ越しのため余ったオイルを使った。
|
■札幌、59,000.7kmから
《2022年、オイル交換2回、エレメント1個》
●●2022/09/10、60,869.6km
(ヤマハスタンダード10-40W)*オイルフィルターの交換(KIJIMA105-540)
Oリングの交換
93210-07135、93210-54175
▲2022/10/14、63,817.5km
(ヤマハスタンダード10-40W、¥1,218)
《2023年、オイル交換9回、エレメント5個》
▲2023/04/26、67,000km
(ヤマハスタンダード10-40W、¥1,433 x2)
●●2023/06/05、70,000km
(ヤマハスタンダード10-40W) *オイルフィルターの交換
▲2023/07/03、73,436km
(ヤマハスタンダード10-40W)
●●2023/07/25、76,617km
(ヤマハスタンダード10-40W) *オイルフィルターの交換
▲2023/08/11、79,477km
(ヤマハスタンダード10-40W、¥1,496)
▲2023/08/11、82,461.8km
(ヤマハスタンダード10-40W、¥1,466x2本購入)
●●2023/09/16、 85,441km
(ヤマハスタンダード10-40W) *オイルフィルターの交換
●●2023/10/30、89,687.5km、エンジンオーバーホール
(ヤマハスタンダード10-40W) *オイルフィルターの交換
●●2023/12/05、エンジンオーバーホール後にオイル入れる
(ヤマハスタンダード10-40W) *オイルフィルターの交換
《2024年、オイル交換9回、エレメント2個》
▲2024/04/11、90,534.3km
(ヤマハスタンダード10-40W)
▲2024/05/13、93941.7km
(ヤマハスタンダード10-40W)
▲2024/5/30、95864.7km 、クラッチの再組み立て
(ヤマハスタンダード10-40W)
▲2024/6/20、98425.5Km
(ヤマハスタンダード10-40W) ▲2024/7/26、103865.7km 、クラッチの再組み立て
(ヤマハスタンダード10-40W)
●●2024/8/12、105,4763km 、オイル・フィルター交換
*フィルター交換
(ヤマハスタンダード10-40W)
▲2024/8/28、107,830.1km 、オイル交換
(ヤマハスタンダード10-40W)
▲2024/09/26、111,256.1km、オイル交換
(ヤマハスタンダード10-40W、¥1,327 )
●●2024/10/17、114,766.2km、オイル・フィルター交換
*フィルター交換
(ヤマハスタンダード10-40W)
《2025年》
▲2025/04/06、117,731.2km、オイル交換
(ヤマハスタンダード10-40W)
●●2025-05-04、121,217.6kmm、オイル・フィルター交換
*フィルター交換 (ヤマハスタンダード10-40W)
▲2025/05/28、122,793km、オイル交換(クラッチ調整後)
(ヤマハスタンダード10-40W)
●●2025/06/25、128,744.5km 、オイル・フィルター交換
*フィルター交換 (ヤマハスタンダード10-40W)
▲2025/07/24、132,400km、オイル交換
(ヤマハスタンダード10-40W)

4Lのヤマハスポーツが、
アマゾンで4770円で売っていたので購入
いつものスタンダードは1リットル2000円前後なので、
7,000円台ならこれを購入することにした。
▲2025/09/10、136716kmkm、オイル交換
(ヤマハスポーツ10-40W)
▲2025/10/4、139,823km、オイル・フィルター交換
*フィルター交換 (ヤマハスポーツ10-40W)
|
【前後タイヤの交換】
■2013/7/18(+9,222km)
9222km /BS純正・前後
横浜ナプスで交換
80/100-19M/C 49P(チューブタイプ)
120/90-16M/C 63P(チューブタイプ)
■2015/1/11(+8,923kmkm)
18,145km /GP-210・前後
¥6,426+¥4,658
横浜のMCタイやランドで前後・16700円
※前後で、¥11,084(2015年)
■2016/10/20・33379km、タイヤ前後交換(IRC:GP-210 )、チューブ前後の交換、リムバンド前後の交換、今回はナプスで購入し交換してもらう。
■2020/02/26・46,714km、タイヤの交換、今回は新山下の2りんかんで交換
IRC:GP-210 【120/90-16 M/C 63P WT】9,574円、工賃3,520円
IRC:GP-210 【80/100-19 M/C 49P WT】6,620円、工賃2,970円
前回は、2016/10/20、33379km なので、3年4ヶ月・13,335kmぶりで、あまり走っていない。できれば2年ごとに交換したいと思う。
横浜二輪館(16,194円)+工賃(6490)、22,684円
■2022/04/19、前後タイヤを交換(57,200km)
MCタイヤランド横浜店に行ったらモトローラーに名前が変わっていた。
タイヤ交換、GP210前後、
チューブ2300円x2、
リムバンド400円x2、
シム300円x2、
工賃5,800円、
合計26,800円。店の選択に失敗したかも。
■2023/06/30、72,448km (前回から+15248km)
タイヤを交換しに二輪館に行ったがピットが休みとかで、予約してタイヤなどを購入、工賃抜きで25520円、前回交換したのは、2022/04/19(57,200km)モトローラー・ 合計26,800円 。さすがに二輪館は高い、工賃を入れると35000円ぐらいになる。
●アマゾンでタイヤを買って自分で交換すると
GP210-F・6,114 円、GP-210-R・8,855円
チューブ(134455)1,535円、チューブ(133547)2,240円
リムバンド、460円(151509 )+¥410円
(151549)
■2024/4/3、二輪館札幌でフロント・リアのタイヤ交換(89,726km)
37290円、Fタイヤ-8470円、Rタイヤ-12100円
チューブ-2860円・2860円、リムバンド-550・550、工賃F-5500、R-工賃4400円
■2024/8/8、二輪館札幌でフロント・リアのタイヤ交換(105,461km)
30,470円、Fタイヤ-8470円、Rタイヤ-12100円
工賃F-5500、R-工賃4400円
(前回から15,735km走った、チューブなどは流用)
※前後で、¥20,570(2024年)
■2025/4/29、二輪館札幌でフロント・リアのタイヤ交換(120,497km)
38,170円、Fタイヤ-8470円、Rタイヤ-12100円
チューブ-3190円・3190円、リムバンド-660・660、工賃F-5500、R-工賃4400円
■2025/09/18(137,676km)、二輪館札幌でフロント・リアのタイヤ交換、
IRC GP210,80/100-19インチ 、9,328円(4月に交換した時は8,470円)
IRC GP210,120/90-16インチ、13,332円(4月に交換した時は12,100円)
チューブ134455 3.00※90/100-19 TR4、3,190円
チューブ133547 460※110/90-16 TR4 、3,190円
リムバンド151549 2516 140/90-16、660円
リムバンド15509 22-19 100/90-19、660円
工賃フロント、4,400円
工賃リア、5,500円
合計:40,260円
|

1----9,222km(2013/07/18)純正
2回目から Gp210
2----18,145km(2015/01/01)8,923km
3-----33,379km(2016/10)15,234km
4-----46,714km(2020/02/26)13,335km
5-----57,200km(2022/04/19)10,486km
6-----72,448km(2023/06/30)15,248km
7-----89,726km(2024/04/03)17,278km
8-----105,461km(2024/08/08)15,735km
9-----120,497km(2025/04/29)15,036km
10----137,676km(2025/09/18) 17,179km
【チューブ交換】
■2013/7/18、9222km
■2015/1/11、18145km
■2016/10、33379km
□2020/02/26は在庫なしで見送る
■2022/04/19、57,200km
前後¥5,800、リムバンド¥800、シム¥600
■2023/06/30、72448km、札幌二輪館
■2024/04/03、89,726km、札幌二輪館
■2025/04/29、120,497km、札幌二輪館
■2025/09/18、137,676km、札幌二輪館

|
ホイール関連

【フロントホイール】
▼2024/5/09(93,182.2kmkm)
フロントホイールのベアリングの交換、オイルシールの交換、スピードメーターケーブルの掃除、外すと水が出て来た、給油
以前に購入したパーツ
93306-20205ベアリング二個
93102-20281オイルシール一個
▼2024/09/10(109,634.8km)

(拡大)
錆びたスポークのペイント、赤錆の上から塗るペンキを試して見た。
|

【リアホイール】
▼2024/7/06(1,00817.5km)
ベアリングの交換、オイルシールの交換
スタッドボルトの交換、ナットの交換、チェーンの交換
以前に購入したパーツ
93306-20212ベアリング3個
93106-22032オイルシール2個
90116-08010スタッドボルト6個 |
|
【スプロケット交換】
■2014/11/30、16870km(前後)
リヤスプロケットアッセンブリ・5XT-25410-00・
12,744円
DRC フロントスプロケット ・D33-416-15・1859円
■2018/5/4、 41,137km(前後共純正)
ドリブンスプロケット・5XT-17460-00・3,365円
リヤスプロケットアッセンブリ・
5XT-25410-00・12,744円
ロックワッシャー 90215-23265・194円
-ナツト 90179-18552・715 円
■2023/05/01、67218.2km(前後共純正)
ドライブ プロケット・5XT-17460-00・3,509円
リヤスプロケットアッセンブリ・
5XT-25410-00・15,730円
ロックワッシャー 90215-23265・220円
ナツト 90179-18552・715 円
■2024/6/26注文(5%割引)---7/6に交換(1,00,817.5km)
5XT-25410-01・リヤホイールスプロケツトコンプリート、13,585 円
5XT-17460-00・スプロケツト、ドライブ、3,030 円
90215-23265・ワツシヤ、ロツク、228 円
■2025/06/25、128.744.5km(前後共純正)交換
リヤホイールスプロケツトコンプリート・5XT-25410-00(5XT-25410-01)・14,729 円(2025/5/2注文)
スプロケツト、ドライブ・5XT-17460-00-00・3,349 円 (2025/5/2注文)
ナツト[90179-18552-00] 823 円(2025/5/2注文)
ワツシヤ、ロツク[90215-23265-00] 267 円(2025/5/2注文)
90116-08010・スタッドボルト4個使用(2024/7/24、180x6=1080円)
90201-08008・ワッシャープレート6枚使用(2024/7/24、180x6=1080円)
|
【チェーン交換】

1回-- 16,870km(2014年)
2回-- 41,137km(2018年) +24,267km
3回-- 67,218.2km(2023年)+26,081.2km
4回--1,00817.5km(2024年)+33,599.3km
5回--128,744.5km(2025年)+27,927km
■2014/11/23・16,870km
EKチェーン江沼チェーン
QXリングチェーン 428ZVX(6850円/webik)
■2018/5/4・ 41,137km(+24,267km)
DID ダイドーチェーン/428VXシルバー(8,436円,am)
ジョイントリンク(428VX_S&S-ZJ)--702円
■2023/05/01、67218.2kmで交換
DID ダイドーチェーン/428VXスチール
D.I.D-428VX-124ZB、カシメジョイント付属、6,420円,am、2021/8/19に購入した製品
■2024/06/26、アマゾンで購入、7/6到着。1,00,817.5km
DID ダイドーチェーン/428VXスチール(7,296円,am)
■ 2025/06/25(128.744.5km)に交換
DID ダイドーチェーン/428VXスチール
(2024/1019、アマゾンで購入7,348円)
|
| ブレーキ関連 |
|
【ブレーキオイル】
交換、2年毎
・2014/6・2014/6/19・12183km、(F&R)
・2016/5・2016/04/30-05/3、29,538km(F&R)
・2019/12・2019/12/14、46,139.5km、オイルのみ交換(F&R)、掃除は未
・2021/04・2021/05/1-3、5,2055km(F&R)、 オイル交換
・2023/04・2023/05/02、67218.2km(F&R)、 オイルのみ交換、掃除は未
・2024/6/2・95864.7km(フロントのみ)、オイルのみ交換
※ブレーキの効きが悪くメンテナンスした
・22024/9/17・109961.2km (F&R)
・2024/09/13、109,927.4kmkm(リアのみ)、キャリパアッセンブリ・ホース・オイルの交換
・2025/07/03、128,780km(フロントのみ)、 オイル・ホース交換
 |
|
【ブレーキパッドの交換】
2013/05/25、8,660km、R交換、赤パッド3465円
2014/06/19、12,183km、F/R交換、赤パッド2,670+2,973円
2014/11/23、16,570km、R交換、赤パッド、2585円
2015/03/27、19,191km、R交換、赤パッド、2635円
2015/09/13、23,797km、R交換、ゴールデンパッド、2936円
2016/04/30、29,538km、F/赤パッド交換・3,012円
2016/10/20、33,379km、F/R交換
2017/07/30、38,652.5km、R交換
2021/05/03、5,2055km、F/R交換、ハイパーシンタード
2023/08/11、79,477km、R交換、ハイパーシンタード
2025/07/03、128,780km、F交換、ハイパーシンタード
 |
|
【キャリパーシール】
■2016/04/30〜05/3、29,538km
キャリパーシールキット、フロント
4JG-25803-00(851円)
■2018/5/4〜5、41,137km、
キャリパーピストンを交換、シール・ダストシールをセットで交換
フロントブレーキピストンアッセンブリ(4)
4JG-W0057-00、3,846円(交換)
リアブレーキピストンアッセンブリ(6)
5XT-W0057-50、2,380円(交換)
ブレーキオイル(BF-4)、1,244円(交換)
■2021/05/1〜3、5,2055km、
キャリパーピストンを交換、シール ダストシールをセットで交換
フロントブレーキピストンアッセンブリ(4)
4JG-W0057-00、4,043円(交換)
リアブレーキピストンアセンブリ(6)
5XT-W0057-50、2,612円(交換)
■2025/07/03、128,780km [4JG-25802-00]x1
ピストンアッセンブリ(図-4)
[4TT-25937-00]x2 ブーツ2(F27-7)
ハイパーシンタード・フロント用
 |
 |
【マスターシリンダーカップ】
●2020/05/05から05/08、47244.5km
<フロント>
マスターシリンダキツトを交換 5XT-W0041-00、¥1,890
図2---5XT-W0041-00 (2025年の価格¥2,332)
ブリードスクリユキツトの交換 15B-W0048-00 (51L-W0048-00)¥459
フロントダイヤフラムの交換、55U-25854-00、¥647
ブレーキオイルの交換
<リア>
マスターシリンダキツトの交換 5XT-W0042-50、¥4,252
図7--------5XT-W0042-50 (2025年の価格¥5,225)
ブリードスクリユキツト の交換 36Y-W0048-00 (1UY-W0048-50) ¥616
ダイヤフラムの交換 5UN-25854-00、¥292
ブレーキオイルの交換
 |
 |
【ブレーキホース】
■2016/04/30〜05/3、29,538km
ブレーキホース1交換、フロント(9)
5XT-25872-00、 3,714円
(2025年の価格¥5,269)
ブレーキホース2、リア (18) 、5XT-25873-00、3292円
(2025年の価格¥4,675)
ガスケツト (13) (90430-10005) 、4個、344円
ガスケツト (90430-10005) 、4個、344円
■2021/05/1〜3、5,2055km
ブレーキホース1、フロント(9)(交換)
ブレーキホース2、リア(18)
シャフト(23)、5XT-27261-00、3,458円(交換)
ブレーキホース1、フロント・3,897円(交換)
ブレーキホース2、リア・3,458円(交換)
■2025/07/03、128,780km、
フロントブレーキホース1(図9)
[5XT-25872-00]、ブレーキホース1・フロントブレーキ用、¥4960
[90430-10005]x4、ガスケット、¥440
 |
|
■2024/09/13(109,927.4kmkm)
リアブレーキのキヤリパアセンブリの交換。抜けなくなったパツドピン(図13)を抜くのに、いろいろ試したが。結局抜けなかった。面倒なのでキャリパーアッセンブリで交換することにした。ついでにホースも交換。

キ
ヤリパアセンブリの交換 ¥22550
プロテクタの交換 ¥825
ブレーキホース2(図18) ¥4840
ボルトの交換 ¥110
ヤマルーブ ブレーキフルードの交換 ¥1309
チェーンの掃除
|

 |
■2025/10/28、10/17日の事故で壊れたパーツ
[5XT-2583T-00] マスタシリンダアセンブリ(税抜)8,883 円
[97007-06025] 97017-06025 ボルト、ヘキサゴン(税抜) 124 円 × 2 = 248 円
[92907-06600] ワツシヤ(税抜) 96 円 × 2 = 192 円 |
 |
【フロントブレーキ、ディスク】
■2016/04/30〜05/3、29,538km
フロントブレーキディスクF交換、
5XT-2582T-00(6,812円)
ディスク用ボルト6個交換→ 390円・90109-065G4(90105-06109)
■2025/07/03、128,780km(2025年5月2日、パーツを購入)
5XT-2582T-00-00、デイスク、ブレーキ (レフト)、8,278 円
[90109-065G4] 90105-06109 ボルト、フランジ、107 円 × 6 = 642 円
 |
 |
【リアブレーキ、ディスク】
■2016/5/4、29,538km
リアブレーキディスク交換、
5XT-2582W-00(9,320円)
■2021/05/1〜3、5,2055km
リヤブレーキデイスク 2 ¥9,289
ボルト ¥146 × 3 = ¥438
ガスケット¥93 × 4 = ¥372、
ガスケット¥93 × 4 = ¥372
■2025年6月25日、交換、128,744.5km
(2025年5月2日、パーツを購入)
5XT-2582W-00-00、デイスク、リヤブレーキ 2、10,609 円
[90149-08268] 90109-08087 ボルト 139 円
[90149-08268] 90109-08087 ボルト 139 円 × 2 = 278 円
 |
 |
レバー交換、
ブレーキ・
クラッチ
■ブレーキ・23X83912-01
2013/5/10、8600km、ブレーキレバーの交換、3291円
2014/9/9、14500km、ブレーキレバーの交換
ハンドルを切った瞬間インジェクションがストール、一撃で転ける。
ブレーキレバー終了。不注意で、レバーを2本も無駄にしてしまった。
2014/9/12・ブレーキレバー (23X83912-01/23X-83912-02)、1371円
|
■クラッチ・55Y-83922-02
2014/9/20、14749km、クラッチレバーの交換、1,328円
■2025年5月6日、クラッチレバーの一式交換
クラッチレバー
ボルト(90109-06799-00) ¥246 × 1個 = ¥246(新品に交換した)
ナツト、セルフロツキング(95607-06100) 95617-06100 ¥90(新品に交換した)
■2025年5月6日に購入
クラッチレバー(予備用)
(23X-83912-01)23X-83912-02 レバー 1 ¥1,643 |
| ブレーキ・その他 |
2014/9/12・ガスケツト (90430-12213)、226円 |
| 電装関連 |
|
【バッテリー関連】

●2015/12/6(2012年〜2015/12/6)
26,040.2km、GS YUASA YTZ7S、アマゾン・8,974円
●2019/5/15(2015/12/6〜2019/5/15)
43,988km、GS YUASA YTZ7S、アマゾ・10,593円
●2022/6/23(2019/5/15〜2022/6/23)
59,200km、GS YUASA YTZ7S、アマゾ・10,800円
●2024/5/2(2022/6/23〜2024/5/2)
92,735.5km、ブロード駆、BG7ZS、DCM・16,280円、

●2025/10/4、バッテリー交換、139,823km
GS YUASA YTZ7S、アマゾン・9,994円
 |
▼2015/12/06、乗り始めて4年1ヶ月
バッテリー交換(26.040km)、YTZ7S ¥8,974(アマゾンで購入)
朝エンジンをかけるとすぐエンストしてしまう。原因不明。とりあえず4年使ったバッテリーを交換してみることにしたのだが、それでも直らなかった。
そのうちスタンドを上げてエンジンを掛けると問題が無いことから、スタンドのセンサーだと思い分解してチェックしてみたが特に壊れている感じもしない、未だ原因不明。
▼2022年6月23日路上でバッテリー上がり、JAFを読んでジャンプスタートを実施してもらう、これだけで13,130円の出費。帰ってから充電したが充電器が壊れていて充電できなかった。新品バッテリー(7800円)と充電器をアマゾンで購入(3,473円)、ジャンプスタートセットも購入(3,953円)
▼2024年5月2日、ツーリング途中、スタンドでガソリンを入れた後、バッテリー上がり、近くの車の修理屋さんに行き、ジャンプスタートで始動したが、充電できなくなっていたので、すぐ止まってしまった。近間のホームセンターで新品を購入。載せ替えて帰宅、途中でまたバッテリーが9Vまで下がり、もうだめかと思い、ケーブルを触って見たら、カプラーが外れかかっていたのが原因。このトラブルで修理屋で2200円、新品バッテリーが16,280円の出費。
▼2025年6月30日、ブロード駆を20時間以上充電、13.36vだった
これを搭載 |
■バッテリー関連パーツ
●2023/05/22
5XT-82116-00、ワイヤ、マイナスリード = 1,199 円
5XT-82115-00、ワイヤ、プラスリード = 1,331 円
|
 |
【セルモーターの交換】
壊れる
●2019/07/4、44,480km (純正品23,700円)
●2023/11/5、89,687.5km(互換製品3,100円)

|
【スターターリレー】 壊れる
●2020/06/25、47,700km、スターターリレー交換
社外品を使用してみた。
バイク スターター リレー ソレノイド オートバイ セルリレー 汎用 12V、¥2,860

※キケン、火災になるところだった
●2020/11/01、49792km
スターターリレー交換・純正¥5,360
●2025/9/11、136,753kmkm
スターターリレー交換 、壊れたわけでは無いが、始動不良などを改善するために交換してみた。 |
カプラーの交換
2024/5/9、スターターリレーの焦げたカプラーの交換
2020/11/1に社外品のカプラーをつけた時に焦げたものをついに交換
多分ヤフーで購入か?
2025/5/30 (123,873km)スターターリレーに接続されているカプラーの配線の修理、カプラーを新品に交換
|
 |
玉切れ
■ヘッドライトの球切れ(
3回)
・2015/8、
M&H H4 12V 60/55W 16H B2C、港北ナプスで購入、2721円
・2017/08/06、38,689km
(M&H H4 12V 60/55W 16H B2C)、3024円
・2020/02/26
ABSOLUTE(アブソリュート)- HB34H4、3,960円
■ウィンカーの球切れ
・2019/11/17
■テールランプの球切れ
2016/11/5、バイクやで交換、バルブ980円・
工賃が1,296円
2024/3/30、交換
■2022/04/18
メーターの電球が切れていたのでLED電球に交換
「GeTor製 T5 LED メーター球 ウェッジ球ホワイト 3030チップ(6個で¥499、アマゾン)」
|
|
 |
・2024/10/30
5XT-84300-00、
ヘツドライトアセンブリ12,300 円
90111-06038、ボルト120x2=240
90387-06089、カラー320x2=640
・2025/10/30、ヘツドライトアセンブリ14,560 円、10/17日の事故 |
| テールランプのレンズ交換 |
2021/11/01、レンズ、テールライト、1,295円
(↑球の交換時割られたもよう) |
| ショック |
|
リアショックの交換
●2021/10/23-24、56,200km(22,572 円)
(2024年の価格は29,590円、3年で7000円上がった)
●2024/7/26、103,865.7km/47,665,7km (29,590円)
トリッカーに使えるのはセロー250とXT250Xの純正リアショックであり、この2車のリアショックはプリロード調整が可能で減衰力自体もトリッカーよりはマシなようである。ヤマハに新品パーツを注文すると3万円からおつりが来る価格(2017年現在)である。
|
|
【リレーアームのメンテ】
2021/10/23〜24、56,200km
リアショックの交換・スイングアームのメンテナン、パーツを新品に交換
カラー、ブッシュ、オイルシールを交換
(15)90383-17001、561x5 = 2,660円
(14)90387-126X9、1793x1 = 1,702円
(18)90387-123V9、737x3 = 2,097円
(13)93109-17071、242x8 = 1,832円
リンクゲージ用パーツ(2022/4/16)
(12)93315-31750、ベアリング交換
(16)93109-17071、オイルシール x2
(15)90387-127W0、カラー
【スイングアーム】
パーツを新品に交換
(2)90386-18099 x2=1,128 円(失敗、破損)
(4)401-22128-01 x2=2,526 円
(2)90386-18099 ×3=1,692円(買い換え、予備1)
|
 |
■2025/9/23、138,432km。 合計金額、32,520 円
・リアアーム部
図4----[401-22128-01-00] カバー、スラスト 1 (税抜) 1,744 円
図2----[90386-18099-00] ブツシユ (税抜) 700 円 × 2 = 1,400 円※未交換
※ 日没時間切れ、未交換
図4----[401-22128-01-00] カバー、スラスト 1 (税抜) 1,744 円
図24--[90201-126A7-00] ワツシヤ、プレート(4N0) (税抜) 146 円
図23--[95604-12200] ナツト、セルフロツキング(税抜) 542 円
・リレーアーム
図19--在庫なし、未交換
図16--[93109-17071-00] オイルシール(税抜) 339 円
図15--[90383-17001-00] ブツシユ、フオームド(税抜) 655 円
※モノタロウで買うと609円
図18--[90387-123V9]カラー、在庫
図15--[90383-17001-00] ブツシユ、フオームド(税抜) 655 円
図16--[93109-17071-00] オイルシール(税抜) 339 円
図21--[90201-12699] ワツシヤ、プレート(2T4) (税抜) 146 円
図20--[95617-12100-00] ナツト、U(税抜) 282 円
図16--[93109-17071-00] オイルシール(税抜) 339 円
図15--[90383-17001-00] ブツシユ、フオームド(税抜) 655 円
図16--[93109-17071-00] オイルシール(税抜) 339 円
図19--在庫なし、未交換
図16--[93109-17071-00] オイルシール(税抜) 339 円
図15--[90383-17001-00] ブツシユ、フオームド(税抜) 655 円
図18--[90387-123V9]カラー、在庫
図15--[90383-17001-00] ブツシユ、フオームド(税抜) 655 円
図16--[93109-17071-00] オイルシール(税抜) 339 円
図21--[90201-12699] ワツシヤ、プレート(2T4) (税抜) 146 円
図20--[95617-12100-00] ナツト、U(税抜) 282 円
図30--[90105-12425] ボルト、ワツシヤベースドヘツド(税抜) 327 円 × 1 = 327 円※未交換
図13---[93109-17071-00] オイルシール(税抜) 339 円
図14---[90387-126X9-00] カラー(税抜) 2,180 円 × 1 = 2,180 円
※ベアリングよりも高いカラー、モノタロウで買うと1998円
図12---[93315-31750-00] ベアリング
(税抜) 2,027 円 × 1 = 2,027 円
※モノタロウで買うと1798円
図13--[93109-17071-00] オイルシール(税抜) 339 円
図29-- [90201-12699] ワツシヤ、プレート(2T4) (税抜) 146 円※未交換
図28-- [95617-12100-00] ナツト、U(税抜) 282 円※未交換
※ボルト、ワッシャー、ナットは交換もれ
・リアサスペンション、上図右側
図8--[95614-10100-00] ナツト、U (税抜) 418 円 × 1 = 418 円
図10--[90201-126A7-00] ワツシヤ、プレート(4N0) (税抜) 146 円 × 1 = 146 円
図9--[95604-12200] ナツト、セルフロツキング(税抜) 542 円 × 1 = 542 円
図4--[90101-10659-00] ボルト、ヘキサゴン(税抜) 440 円 × 1 = 440 円
図5--[90201-13013] ワツシヤ、プレート(税抜) 146 円
図6--[90201-101J1-00] ワツシヤ、プレート(47X)(税抜) 135 円 × 1 = 135 円
図7--[95614-10100-00] ナツト、U (税抜) 418 円
図3--[90387-127W0-00] カラー (税抜) 644 円 × 1 = 644 円
・リアホイール(FIG28)
20--[90201-15014] ワツシヤ、プレート(税抜) 293 円※未交換
4---[93106-22032-00] オイルシール (4DA) (税抜) 497 円※未交換
18--[5XT-25389-00] プラー、チエーン 2(税抜) 904 円 × 1 = 904 円--正面から見て右側
17--[5XT-25388-00] プラー、チエーン 1(税抜) 904 円 × 1 = 904 円--正面から見て左側
4---[93106-22032-00] オイルシール (4DA) (税抜) 497 円※未交換
20--[90201-15014] ワツシヤ、プレート(税抜) 293 円
21--[95607-14200] ナツト、セルフロツキング (8BF) (税抜) 621 円
[4JG-W0047-00] 4JG-25803-00 キヤリパシールキツト(税抜) 1,166 円
[5XT-14451-00] エレメント、エアクリーナ(税抜) 1,776 円
[34X-23317-00] ホルダ、ケーブル(税抜) 587 円
[98507-05018-00] スクリユー、パン ヘツド (4MY) (税抜) 135 円
[92907-05600-00] ワツシヤ(税抜) 96 円
[95307-05600] 95317-05600 ナツト、ヘキサゴン(税抜) 192 円 |



 |
■2017/08/03〜06(38,689.7km)フロントフォークのメンテナンス
2017年はオイルシールの交換
ガスケツト [1N1-23158-00]¥162×2 = ¥324
シール、ダスト [5JX-23144-00]¥1,015×2 = ¥2,030
クリツプ、オイルシール [4A1-23156-00]¥259×2 = ¥518
オイルシール [5JX-23145-00]¥896×3 = ¥2,688
ワツシヤ、スプリングアツパ [5K5-23149-00]¥399×2 = ¥798
メタル、スライド 1 [5JX-23125-00]¥756×2 = ¥1,512
ガスケツト [240-23114-00]¥313×2 = ¥626
オイルパックリ廃油処理パック [2L] [W-OP-001]¥410
ヤマルーブ サスペンションオイル G-15 /90793-3804300 /1L /G15、¥1,998
オイルは片側295cm3(295mL)
■2020/08/10-11(48158km)
240-23114-00 ガスケット、330x2 = 660(前回は313円)
5XT-23118-00 スペーサー、737x2 =1,474
3DM-23149-10 ワッシャー、308x2 =616
5XT-23141-00 スプリング高い、1,617x2 =3,234
5XT-23151-00 リバウンドスプリング、286x2 =572
5XT-23363-00 カラー、41x2 =682
5XT-23173-00 テーパー、1,232x2 =2,464
5JX-23144-00 ダストシール 、1,067x2 =2,134(前回は1015円)
4A1-23156-00 クリップ、275x2 =550 (前回は259円)
5JX-23145-00 オイルシール、946x2 =1,892 (前回は896円)
5K5-23149-00 ワッシャー 、429x 2 =858 (前回は399円)
5JX-23125-00 スライドメタル、803 x2 = 1,606(前回は756円)
1N1-23158-00 ガスケット、176x2 = 352(前回は162円)
■2023/06/25(72,384.4km)フークオイルの交換
■2024/5/09(93,182.2kmkm)フークオイルの交換
交換後間も無くオイル漏れ、特に右側が顕著
■2024年5月27日、オイルシールだけ交換予定でパーツを購入、しかし分解が必要なので、全部交換することにした。再度パーツを注文した
6月2日(95864.7km)フロントホークのオーバーホールを実施
・2024年5月27日
5JX-23144-00、シール、ダスト 販売価格(税抜) 1,130 円 × 2 = 2,260 円
4A1-23156-00、クリツプ、オイルシール 販売価格(税抜) 300 円 × 2 = 600 円 (
5JX-23145-00、オイルシール 販売価格(税抜) 980 円 × 2 = 1,960 円
2024年5月29日
5JX-23125-00、メタル、スライド 1 販売価格(税抜) 850 円 × 2 = 1,700 円
5XT-23173-00、スピンドル、テーパ 販売価格(税抜) 1,310 円 × 2 = 2,620 円
5XT-23363-00] カラー 1 販売価格(税抜) 370 円 × 2 = 740 円
5XT-23151-00、スプリング、リバウンド 販売価格(税抜) 310 円 × 2 = 620 円
1N1-23158-00、ガスケツト 販売価格(税抜) 190 円 × 2 = 380 円
5XT-23141-00、 スプリング、フロントフオーク 販売価格(税抜) = 1,880 円
5XT-23141-00、スプリング、フロントフオーク 販売価格(税抜) = 1,880 円
240-23114-00、ガスケツト 販売価格(税抜) 360 円 × 2 = 720 円
5JX-23171-00、ピストン、フロントフオーク 販売価格(税抜) 1,000 円 × 2 = 2,000 円
合計=18,720円
■2026/03/13(142,566.4km)、10/17日の事故
10と29、5XT-23173-00 スピンドルテーパー、1,635x2 =3,270
17と36、5XT-23118-00 スペーサー、1,122x2 =2,244
15と34、5XT-23141-00 スプリング、2,419x2 =4,838
14と33、91311-08025 ボルト、124x2=248
|

2017/08/03(38,689.7km)オイルシールの交換
2020/08/10(48158km)全部交換
2023/06/25(72,384.4km)フークオイルの交換
2024/05/09(93,182.2km)フークオイルの交換
2024/06/02(95864.7km)フークオイルのオーバーホール
図39の価格調査
93332-00079 ベアリング 3,443
5XT-23340-10 アンダブラケツトコンプリート 24,750(無理)
価格調査2024年
インナーチューブは17,820円
フロントフォークアッセンブリだと43,340
シリンダーコンプリートは7821円
アウターチューブは26180円
メーターアッセンブリ22330
スロットルボディアッセンブリ53900
スターターリレー6589
ピストン7832 ピストンピン1628
ピストンリング4169 5XT-22110-00
リアアームコンプリート1(2018年モデル)31,570 |
■フークオイル交換
●2017/08/3、38,689.7km
フークオイル、ダストシール、オイルシールの交換
●2020/08/10-11、48158km
フークオイル、ダストシール、オイルシールの交換
▼2023/06/25、72384.4km
フークオイルのみ交換
▼2024/5/09(93,182.2kmkm)
フークオイルのみ交換
▼2024/6/2(95,864km)オーバーホール ▼2025/5/12(122,026.5kmkm)
フークオイルのみ交換
 |
 |
■エアクリナー(5XT-14451-00)
20,000km毎
●19,191km●38,689.7km●56,200km●76,617km
●1,00,817.5km●120,460.5

 |
・2015/03/27、19191km、1792円
・2017/08/06、38,689.7km、1792円
・2021/10/24、56200km、1,681円
・2023/05/22→7/25に交換、76,617km
5XT-1445100、エレメント、エアクリーナ = 1,771 円
・2024/07/06(1,00,817.5km)交換
5XT-14451-00-00、エレメント、エアクリーナ
(税抜) 1,610 円 Webike(2024年10月28日)
・2025/4/26(120,460.5km)交換
|
■フユエルポンプ、壊れる
2023/05/22
5XT-13907-10、フユエルポンプコンプリート = 30,580 円
3D7-24491-00、ブラケツト、フユエルポンプ= 2,420 円
1S4-24486-00、Oーリング = 2,002 円
92012-05016、ボルト、ボタンヘツド × 6 = 660円
 |
 |
 |
■2025/10/28、10/17日の事故で壊れたパーツ、
142,566.4km
[5XT-23174-00] ステー、ヘツドライト(税抜) 6,510 円 × 1 = 6,510 円
[90480-14229-00] グロメツト(3X3) (税抜) 158 円 × 2 = 316 円
[90480-13011-00] グロメツト(税抜) 158 円 × 2 = 316 円
[90387-065G0] 90387-07391 カラー(税抜) 169 円 × 2 = 338 円
[90119-06097-00] 90119-06172 ボルト、ウイズワツシヤ(税抜) 146 円 × 2 = 292 円
|
ハンドル交換
ポッシュフェイス(POSH FAITH) 031067

|
2014/7、12480km、6,264円
2020/8、2,860円、Amazon
2025/5/11、3,338円、Amazon
2025/10/27、4,444円、Amazon (10/17日の事故) |
| フロントフエンダ(5XT-21500-10) |
・2017/04/16、
フロントフエンダアセンブリ、2,811円
・2025/10/28、10/17日の事故
[5XT-21500-10] フロントフエンダアセンブリ(税抜) 4,547 円 |
シートの交換、破れ(5XT-24770-30・5XT-24770-50)
2015/11、9612円
2020/04/15、9,969円(10,069円)
|
2015/11、24997.5km、(5XT24770-30)、9612円
つなぎ目から裂け始める
新品に交換した。
2020/04/15、またシートが破け始めた(2回目)。5年前に(2015/11/1、24997.5km)に交換した時と同じくツートンに別れているつなぎ目から裂け始め、尻が濡れる。交換するかな。 とりあえずセメダインで補修。2020/06/25(47,800km)に交換。今回は黒と黒のツートン(5XT-24770-50ブラック9969円)に交換。 |
プラグ交換
4回実施 |
2014/6/19、12183km、486円
2017/08/06、38,689.7km、NGK 標準プラグ DR7EA
2021/10/24、56200km、NGKイリジウムDR7EIX、1,356円
2022/4/22、57200km、NGK 標準プラグ DR7EA、446円、am
2025/5/11、12,2015.5km、NGK 標準プラグ DR7EA、378円、am |
メーターケーブル(5XT-83550-00)
切れる
|
・2015/3/17、17889km
5XT-83550-00、3012円
・2019/12/14、ケーブルガイドの破損
46,139.5km、ケーブルガイドをやっと取り付ける
・2025/10/28、10/17日の事故 [5XT-83550-00] スピードメータケーブ(税抜) 2,332 円 |
クラッチケーブルの交換(5XT-26335-00)
|
2014/9/20、14749km
55Y-83922-02、 2,246円
2024/5/01、92,446.9kmkm
クラッチケーブルの交換、2760円
YAMAHA 純正部品 品番[5XT-26335-00] 販売価格(税抜) 2,760 円 |
| スロツトルガイド |
2017/04/16 |
| グリツプ・リング |
2017/04/16 |
グリツプ
グリツプ(レフト)4GY-26241-00
グリツプ(ライト) 4GY-26242-00
|
2014/09/20、グリツプ(ライト) 831円
2017/04/16、右グリップ
2022/5/9、グリツプ(レフト) 891 円
(2023/11/22交換)
2022/5/9、グリツプ(ライト) 891円
(2023/11/22交換)
2025/5/11、グリツプ(レフト) 1,016円
・2025/10/28、10/17日の事故
[4GY-26242-00] グリツプ(ライト)1,166 円
[5BE-26243-00] チユーブ、スロツトルガイド711 円
[3Y1-26249-00] リング、リーフ271 円
[4GY-26241-00] グリツプ(レフト) 1,166 円 |
ドレンボルト交換(90340-12059)
12mmで20Nmで締める |
2016/7/10、30651.8km
2021/11/01、56256.6km |
| シフトペダル |
2017/04/4・5XT-18110-10
シフトペダルアセンブリ、3,272円 |
クラッチハウジングの交換
|
2014/9/20、14749km、
5XT-82911-00、 1,890円 |
| スロットルケーブルの交換(5XT-26302-10) |
2023/11/22、89,687.5km、3,830 円 |
ミラー
アセンブリ/レフト、3C5-26280-00
アセンブリ/ライト、3C5-26290-00 |
2016/1/2、バツクミラーアセンブリ/レフト
(3C5-26280-00) 、2365円
2016/1/2、バツクミラーアセンブリ/ライト
(3C5-26290-00) 、2365円 |

レバー
2013/5/10・8600km、ブレーキレバーの交換、転倒により。価格は3291円(ナプス港北で購入)
2014/9/20、クラッチレバーの交換 → (55Y-83922-02)¥1,328
|
2014/9/12
・ブレーキレバー (23X83912-01/23X-83912-02)1371円、未使用
2014/9/12
・ブレーキレバー (23X83912-01/23X-83912-02)、1371円
2014/9/12
・レバークラッチ (55Y-83922-01/55Y-83922-02)、1328円、未使用 2014/9/12
・レバークラッチ (55Y-83922-01/55Y-83922-02)、1328円
2025/10/28
レバークラッチ(55Y-83922-01])55Y-83922-02、1,711 円 × 1 = 1,711 円 |
| ナツト |
2022/5/9、90179-22007、ステアリングヘッドのナツト 462 円
在庫 |
| グロメツト |
90480-01401、グロメツト 176 円 、使用済み |
サイドスタンド
2025/05/11
セットで交換 |
6-- (5XT-27311-00)5XT-27311-01 スタンド、サイド¥3,276
7-- (90507-29009-00)スプリング、テンシヨン(460)¥834
9--(5XT-27315-01-00)リンク、サイドスタンド ¥278
10--(90101-10013) ボルト、ヘキサゴン ¥310
11-- (90185-10060-00) ナツト、セルフロツキング(533 FR ¥395
12--(90387-10003-00) カラー¥706(税抜) |
| マニュアル |
2013/1/6・ヤマハ ワイズギア サービスマニュアル購入
5XT8 : 5XT9、5775円 |
| ステップ |
2013/1/6・ヤマハ ワイズギア ステップラバーセット購入
Q5KYSK038J02、1995円 |
Oリングなど
|
【マニホールド用】
●2023/05/22
93210-39700、Oーリング(1FN) = 473 円
【サイドスタンド用カバー】
●2023/05/22
90445-197J2、ホース (L60) = 242 円
【エアーインダクションシステム】
●2023/05/22
5XT-14881-10、ホース、ベンド 1 = 1,936 円
5XT-13542-11、ホース、バキユームセンシング 1 = 638 円 |
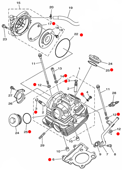
■エンジンオーバーホール
冬、雪で乗れない時期を利用してオーバーホール
2023/10/30〜、89,687.5km
|
キジマ オイルフィルター 、632 円 × 2 = 1,264 円
[90430-10171] ガスケツト、85 円 × 2 = 170 円
ヤマルーブ スーパーチェーンオイル、2,000 円
YAMALUBE ヤマルーブ 1,269 円 × 3 = 3,807 円
・タペットアジャスティングツール
(3Y1) 90890-01311 = 361 円
・フラツシヤライト
[5XT-83320-10] 5XT-83320-11 フロントフラツシヤライトアセンブリ 2 、1,840 円
・ケーブル
[5XT-26302-10] スロツトルケーブルアセンブリ 、3,830 円
・不要
35-3[5HP-8182M-00] スターティングモーター用
Oーリング 、 560 円 × 2 = 1,120 円
|

|
3--[93440-10085] サークリツプ、114 円
3--[9344010085] サークリツプ、 114 円
5--
6--[5XT-11181-20] ガスケツト、シリンダヘツド 1、3,572 円
12--[90201-08609] ワツシヤ、プレート、161 円 × 5 = 805 円
14--[90201-06018] ワツシヤ、プレート 、228 円 × 2 = 456 円
17--[4D3-11196-00] ガスケツト、シリンダヘツドサイド 、142 円
22--[93211-05471] Oーリング、437 円
25--[93210-54001] Oーリング、237 円 × 2 = 474 円
|

|
3--[4D3-11351-00] ガスケツト、シリンダ 、380 円
5--[93210-13657] Oーリング、80 円
不要--5XT8・5XT9用
2--2[90430-12243] ガスケツト 、 710 円
|

|
12--[4XV-11603-00] 4XV-11603-01 ピストンリングセツト、3,600 円
13--[93306-37814] ベアリング 、4,590 円 × 2 = 9,180 円
14--[90468-12069] クリツプ、123 円 × 2 = 246 円
21--[93306-30214] ベアリング 、1,710 円 × 2 = 3,420 円
28--[90215-12272] ワツシヤ、ロツク 、 120 円
29--[90170-12370] ナツト 、 340 円
初回購入時
28--[90215-12272] ワツシヤ、ロツク 、114 円
|

|
1--[5H0-12111-02] バルブ、インテーク 、2,669 円
2--[5XT-12121-00] バルブ、エキゾースト 、2,565 円
3--[4G0-12116-01] シート、バルブスプリング、579 円 × 2 = 1,158 円
4--[11H-12113-00] スプリング、バルブインナ 、598 円 × 2 = 1,196 円
5--[11H-12114-00] スプリング、バルブアウタ、722 円 × 2 = 1,444 円
6--[5H0-12119-00] シール、バルブステム、703 円 × 2 = 1,406 円
7--[4G0-12117-00] リテーナ、バルブスプリング 、931 円 × 2 = 1,862 円
8--[4G0-12118-00] コツタ、バルブ 、351 円 × 4 = 1,404 円
9--[36X-12151-00] アーム、バルブロツカ、3,828 円 × 2 = 7,656 円
10--[5H0-12156-00] シヤフト、ロツカ 、1,111 円
11--[5H0-12146-00] シュフト、ロ カー、1,719 円
12--[93210-09165] 93210-09350 Oーリング、85 円
13--[5XT-12159-00] スクリユ、バルブアジヤステイング、285 円 × 2 = 570 円
14--[90170-06128] ナツト 、80 円 × 2 = 160 円 |

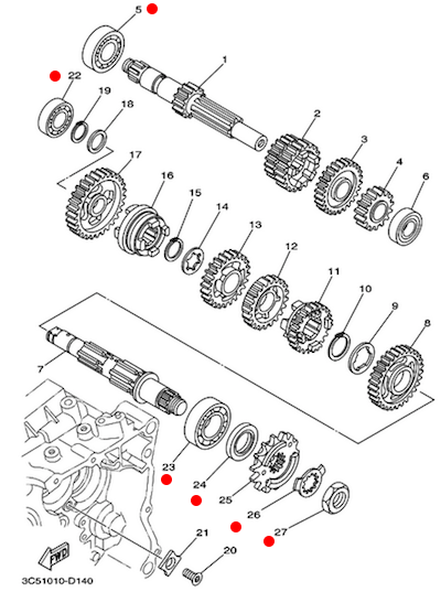
|
2--[93306-20204] ベアリング 、850 円
3--[93210-11453] Oーリング、123 円
10--[5BP-12231-01]ガイド、ストツパ 1 、 1,960 円
13--[5XT-12213-00] ガスケツト、テンシヨナケース 、294 円
|

|
3--[99009-11400] サークリツプ、 110 円
4--[4D3-13329-00] ガスケツト、ポンプカバー 、150 円
6--[90430-06156] ガスケツト、 130 円
17--{90430-10171]ガスケット
19--[90430-08119] ガスケツト、90 円
|

|
2--[93210-39700] Oーリング、446 円
4--[90450-55003] ホースクランプアセンブリ、503 円
|

|
3--[93210-32172] Oーリング、114 円 × 1 = 114 円
3--[93210-32172] Oーリング、120 円
4--[90340-14151] プラグ、ストレイト スクリユー 、580 円
5--[93210-14369] Oーリング、 120 円
5--[93210-14369] Oーリング、114 円 × 1 = 114 円
6--[4D3-15451-00] ガスケツト、クランクケースカバー 、 684 円
15--[5XT-15316-00] ダンパ 1 、850 円
18--[4D3-15461-00] ガスケツト、クランクケースカバー 2 、1,064 円
24--[90430-06014] ガスケツト 、80 円
30--[93210-74M68] Oーリング、427 円
|

|
7--[93310-225N0] ベアリング(51Y) 、1,690 円
|

|
1--[5XT-16111-00]プラマリードライブ24T
3--[90214-16063] ワツシヤ、クロー 、640 円
4--[90215-16293] ワツシヤ、ロツク、237 円
5--[90170-16425]ナット
21--[90215-16289] ワッシャ、ロック 、285 円
22--[90170-06128] ナツト 、80 円
23--[5XT-16380-00] プツシユレバーアセンブリ、5,030 円
24-- [90430-08119]
27--[99009-20500]
28--[93102-12224]
29--[93315-11206]
30--[4GY-16357-00]
31--[93511-32017]
誤注文
22--[5XT-16380-00] プツシユレバーアセンブリ 、5,030 円
|

|
5--93306-20427、93306-20447 ベアリング、 1,670 円
22--[93306-20332] ベアリング(30X) 、 1,360 円
23--[93306-20532] ベアリング 、 1,860 円
24--[93102-25226] オイル シール、456 円
26--[90215-23265] ワツシヤ、ロツク、 228 円
27--[90179-18552] ナツト 、712 円
|

|
6--[93102-14209] オイル シール、323 円
 |
■クラッチ交換
2023/09/16〜(85,441km)、クラッチの交換、オイルを交換、オイルフィルターの交換 最近、エンジンが熱くなるとクラッチが切れない、ギアが入らないなどの症状が酷くなってきたので、オイル交換をするタイミングでクラッチプレートなどを交換してみることにした。足りない工具類も購入しキチンと整備することにした。のだが…。 |
[5XT-16111-00] ギア、プライマリドライブ 、4,050 円
[90214-16063] ワツシヤ、クロー、640 円
[90215-16293] ワツシヤ、ロツク 、250 円
[90170-16425] ナツト 、210 円
[30X-16154-00] プレート、スラスト 1 、560 円
[1KT-16321-00] プレート、フリクシヨン 、1,510 円 × 4 = 6,040 円
[5DH-16321-00] プレート、フリクシヨン 、1,680 円 × 2 = 3,360 円
3XJ-16324-10 プレート、クラツチ 1 、1,060 円 × 5 = 5,300 円
1W1-16358-01 プレート、プツシユ 、 760 円
[5XT-16356-00] ロツド、プツシユ 1 、780 円
92990-06200 ワツシヤ 、70 円
95380-06600 ナツト、70 円
[90501-23598-00] スプリング、コンプレツシヨン 、320 円 × 5 = 1,600 円
[90159-06010] スクリユ、ウイズワツシヤ、110 円 × 5 = 550 円
[5NL-16384-00] プレート、シート 、840 円
[90215-16289] ワッシャ、ロック 、300 円
[90170-16326] ナツト、 360 円
[99009-20500] サークリツプ、110 円
[93315-11206] ベアリング 、 850 円
[4GY-16357-00] ロツド、プツシユ 2 、 2,610 円
[93511-32017] 93511-32027 ボール、110 円
[93102-12224] オイル シール、470 円
[3XV-16383-00] スプリング、クラツチボス 、1,750 円
[4D3-15461-00] ガスケツト、クランクケースカバー 2 、1,120 円
[90430-06014] ガスケツト 、85 円 × 2 = 170 円
[93210-19123] Oーリング、120 円
[93210-54175] Oーリング、 280 円
[93210-07135] Oーリング、130 円
[90430-10171] ガスケツト、85 円 × 2 = 170 円
[90430-08119] ガスケツト、90 円 × 2 = 180 円
 |
| 交換したらいくらんかかる |
フロントのリムを交換したら
34X-25111-02-35 ハブ,フロント 14,300
93306-20205 ベアリング
638 90560-15290 スペーサ
572 93102-20281 オイルシール (SD 20-35-5)
275 94418-19018 リム (1.85-19) 27,830
5XT-25104-00 スポークセツト,フロント 5,720
スロットルボディ2024年現在の価格
5XT-13930-10 . パイプインレツトアセンブリ 22,880(無理)
5CA-14147-00 . O-リング 242
5XT-13750-11 ・スロツトルボデーアセンブリ 53,900(無理)
クランクケース
4D3-15461-00 ガスケツト,クランクケースカバ 1,243
リアショック
5XT-22210-00 リヤクツシヨンアセンブリ 29,590
90387-127W0 カラー 1(在庫あり) |
| バイクパーツ 、未使用 |
2025/6/30在庫のチェック
------フロントフォーク予備
5JX-23125-00 スライドメタルx1(F23-5)
5JX-23145-00 オイルシール x4(F23-7)
4A1-23156-00 クリップ x2(F23-8)
5JX-23144-00 ダストシール x2(F23-9)
------フロントフォークオーバーホール用
5JX-23125-00 スライドメタルx2(F23-5)
5K5-23149-00 ワッシャー x2(F23-6)
5JX-23145-00 オイルシール x2(F23-7)
4A1-23156-00 クリップ x2(F23-8)
5JX-23144-00 ダストシール x2(F23-9)
1N1-23158-00 ガスケットx2(F23-13)
240-23114-00 ガスケット x2(F23-19)
------スプロケット用
[90179-18552-00] ナツトx1(F14-22)
[90215-23265-00] ワツシヤ、ロツクx1(F14-26)
[4D3-15461-00]ガスケツト、クランクケースカバー 2x1 (F11-18)
[93210-32172] Oーリング(F11-3)
[93440-10085]x1 サークリップx2(F1-3)
[4D3-11196-00]X1 ガスケット(F1-17)
[90201-08609]x1 ワッシャー(F1-12)
[90201-06018]x2 ワッシャー(F1-14)
[90215-12272]x1 ロックワッシャ18(F3-28)
[90170-06128]x2 ロッカーシャフト用ナット(F4-11)
[5XT-12213-00]X1 ガスケット(F5-13)
[90450-55003]x1 ホースクランプ(F7-4)
[90430-06014]x1 ワッシャー(F10-7,F11-24)
[90340-12006]x2 ドレンボルト(F10-13)
[93210-32172]x1 Oリング(F11-3)
[90119-06096]x3 ボルトウイズワッシャ(F18-4)
[90214-16063]x1 ワッシャー・クローx1(F13-3)
[5XT-16380-00]x1 プッシュレバー(F13-22)
[90386-18099]x1 ブッシュ(F20-2)
[90387-123V9]x5 カラー(F20-18)
[93332-00079]X2 ベァリング(F22-1)
[93332-00079]x1 ベァリング・アウターのみ(F22-1)
[90201-256K5]x1 ワッシャ(F22-7)
[90179-22007]x1 ナット(F22-14)
[93102-20281]x1 オイルシール(F26-4)
[93106-22032]x1 オイルシール(F28-4)
93106-22032]x1 オイルシール(F28-4)
[90201-08008]ワッシャーx1
(F28-12)
[95607-08100]ナットU x4(F28-13)
[90116-08010]スタッドボルトx2(F28-14)
[
[95607-14200]x1 ナット(F28-21)
[1UY-25937-51]x1 リア・ブーツ2(F29-8)
[3JD-25917-00]x1 キャパーブーツ(F29-9)
[3FV-23924-00]x1 バンドピン(F29-13)
[90430-10005]x2 ガスケット(F31-11)
[90430-10005]x2 ガスケット(F31-13
)
[5XT-25872-00]x1 ブレーキホース(F31-9)
[5HP-8182M-00]x2 Oリング(F35-3)
[93210-25711]x1 O リング(F35-5)
[93210-07438]x2 Oリング(不明)
ハイパーシンタード・フロント用x1
ハイパーシンタード・リア用x1
オイルフィルターx2
[93
20-07135]x4 Oリング
[93210-14369]x1
ウィンカーの電球x8
ストップランプx1
 |
▲TOPに戻る
|
|
|